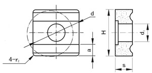
Mecánicamente Sujetos al Suelo Inserta-Type 4H

| Type | Dimensión(mm) | Aprox Unidad de Peso(g) | ||||||||
| d | s | r | a≈ | d1 | H | YG6 | YG8 | YT5 | YT14 | |
| 41002H | 10.0 | 3.5 | 0.2 | 2.4 | 4.2 | 10.0 | 4.3 | 4.2 | 3.7 | 3.3 |
| 41305H | 13.0 | 4.5 | 0.5 | 3.4 | 5.2 | 13.0 | 9.0 | 8.8 | 8.0 | 7.1 |
| 41605H | 16.0 | 5.5 | 0.5 | 4.4 | 6.2 | 16.0 | 17.8 | 17.5 | 15.3 | 13.6 |
| 41610H | 16.0 | 5.5 | 1.0 | 4.4 | 6.2 | 16.0 | 17.1 | 16.8 | 15.1 | 13.4 |
| 41910H | 19.0 | 6.5 | 1.0 | 5.4 | 7.2 | 19.0 | 19.1 | 28.8 | 25.6 | 22.8 |
| 42510H | 25.0 | 9.0 | 1.0 | 10.0 | 9.0 | 25.0 | ? | |||




sales@chinatungsten.com