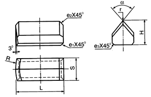
Broca Bits-Tipo K23


| Tipo |
Dimens?o |
Nota |
| L |
H |
S |
R |
α |
γ |
e1 |
e2 |
e3 |
| K23-92001 |
11.0 |
6.5 |
7.8 |
19.1 |
80o |
0.8 |
0.4 |
0.8 |
0.8 |
G92509 |
| K23-85001 |
12.0 |
G85237 |
| K23-85002 |
13.5 |
G85236 |
| K23-85003 |
15.1 |
G85235 |
| K23-85004 |
16.7 |
14.3 |
7.7 |
70o |
G85233 |
| K23-85005 |
18.3 |
/ |
G85234 |
| K23-82001 |
28.5 |
22.0 |
13.0 |
31.0 |
110o |
/ |
/ |
2.0 |
0.5 |
G82023 |
| K23-84001 |
29.0 |
25.4 |
38.0 |
/ |
/ |
1.0 |
G84131 |
| K23-83001 |
34.7 |
22.0 |
45.0 |
/ |
/ |
1.5 |
G83151 |
| K23-84002 |
35.0 |
25.4 |
14.0 |
/ |
/ |
0.5 |
G84240 |
| K23-72001 |
42.0 |
20.0 |
12.0 |
50.0 |
70o |
0.2 |
1.5 |
1.5 |
G2076 |
宁晋县|
贵溪市|
潮州市|
台北县|
阜城县|
正定县|
会宁县|
麻栗坡县|
永泰县|
武胜县|
灵川县|
罗山县|
沂水县|
永年县|
盐津县|
肥西县|
武邑县|
信阳市|
天门市|
龙泉市|
青龙|
忻州市|
景泰县|
盐城市|
阜阳市|
安平县|
上饶市|
静宁县|
仁布县|
信阳市|
雅安市|
天祝|
龙里县|
漳州市|
吉安县|
来宾市|
兴业县|
驻马店市|
博乐市|
康平县|
永城市|