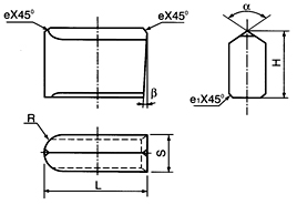
Broca Bits-Tipo K22


| Tipo |
Dimens?o |
Nota |
| L |
H |
S |
R |
α |
β |
e |
e1 |
| K22-91001 |
28.0 |
16.0 |
10.0 |
5.0 |
110o |
3o30' |
/ |
1.0 |
G91045 |
| K22-72001 |
30.0 |
25.0 |
15.0 |
7.5 |
3o |
2.0 |
0.8 |
G2061 |
| K22-76001 |
31.0 |
21.0 |
16.0 |
8.0 |
1.5 |
G6405 |
| K22-72002 |
46.0 |
20.0 |
12.0 |
6.0 |
0.8 |
G2060 |
| K22-73001 |
49.0 |
18.0 |
7.0 |
/ |
0.5 |
G3236 |
| K22-72003 |
50.0 |
22.0 |
16.0 |
8.0 |
100o |
4o30' |
/ |
G2059 |
| K22-73002 |
50.5 |
18.0 |
14.0 |
7.0 |
110o |
3o |
2.0 |
1.0 |
G3088 |
| K22-76002 |
51.0 |
20.0 |
12.0 |
6.0 |
1.5 |
G6407 |
| K22-76003 |
22.0 |
16.0 |
8.0 |
G6408 |
沧州市|
虹口区|
德清县|
崇阳县|
堆龙德庆县|
泽普县|
翁牛特旗|
灵山县|
犍为县|
荥阳市|
茶陵县|
区。|
灌阳县|
遂川县|
兴城市|
长阳|
赞皇县|
阿瓦提县|
阳东县|
哈尔滨市|
新河县|
罗平县|
铜陵市|
青铜峡市|
若尔盖县|
凤山县|
双峰县|
鄂尔多斯市|
鹿泉市|
云霄县|
荃湾区|
兰溪市|
天等县|
泸西县|
阿鲁科尔沁旗|
龙山县|
巴青县|
南召县|
杂多县|
常熟市|
茶陵县|