Your Position: Home Page >> Tungsten Carbide >> Tungsten Carbide Dies >> Tungsten carbide Punching Dies
BS Heading Die
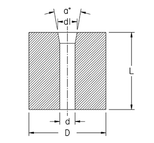
Name:BS Heading Die
Usage:For reducing diameter of nuts

Die blanks for reducing diameter of nuts
| Type | Dimension(㎜) | Type | Dimension(㎜) | ||||||||
| d | D | L | d1 | α° | d | D | L | d1 | α° | ||
| BS2114- | 2.1 | 14 | 15~30 | 2.5 | 20 | BS8430- | 8.4 | 30 | 25~54 | 9.3 | 20 |
| BS2116- | 2.1 | 16 | 15~30 | 2.5 | BS10030- | 10.0 | 30 | 14~20 | 11.4 | ||
| BS3114- | 3.1 | 14 | 15~30 | 3.5 | BS10228- | 10.2 | 28 | 25~54 | 11.4 | ||
| BS3116- | 3.1 | 16 | 15~30 | 3.5 | BS10230- | 10.2 | 30 | 25~54 | 11.4 | ||
| BS3914- | 3.9 | 14 | 15~35 | 4.5 | BS11940- | 11.9 | 40 | 30~40 | 13.2 | ||
| BS3916- | 3.9 | 16 | 15~35 | 4.5 | BS12040- | 12.0 | 40 | 10~14 | 13.4 | ||
| BS4516- | 4.5 | 16 | 10~20 | 5.9 | BS14040- | 14.0 | 40 | 14~20 | 15.4 | ||
| BS4716- | 4.7 | 16 | 15~35 | 5.4 | BS17545- | 17.5 | 45 | 14~20 | 19.3 | ||
| BS4718- | 4.7 | 18 | 20~35 | 5.4 | BS19545- | 19.5 | 45 | 20~30 | 21.25 | ||
| BS6520- | 6.5 | 20 | 20~42 | 7.2 | BS21050- | 21.0 | 50 | 20~30 | 22.75 | ||
| BS6522- | 6.5 | 22 | 10~42 | 7.9 | BS24060- | 24.0 | 60 | 25~30 | 25.75 | ||
| BS8030- | 8.0 | 30 | 10~20 | 9.4 | BS26560- | 26.5 | 60 | 25~30 | 28.63 | 12 | |
| BS8426- | 8.4 | 26 | 25~54 | 9.3 | BS32070- | 32.0 | 70 | 25~30 | 34.13 | ||




sales@chinatungsten.com