Деревообрабатывающие инструменты

Реверсивные ножи
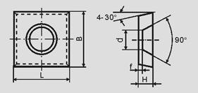
мм
| Тип | L |
B |
H |
d |
α |
c |
n |
1212/1.5 |
12.6 |
12.6 |
2.0 |
4.0 |
|
|
1 |
1414/1.2 |
14.9 |
14.9 |
2.0 |
8.35 |
|
|
1 |
1414/2.0 |
14.7 |
14.7 |
2.5 |
6.3 |
|
|
1 |
1515/2.5 |
15.7 |
15.7 |
3.0 |
6.2 |
|
|
1 |
2012 |
20.4 |
12.6 |
2.0 |
4.0 |
|
|
1 |
3012 |
30.5 |
12.6 |
2.0 |
4.0 |
8.2 |
14 |
2 |
4012 |
40.5 |
12.6 |
2.0 |
4.0 |
5.2 |
26 |
2 |
5012 |
50.4 |
12.6 |
2.2 |
4.0 |
12.2 |
26 |
2 (Смещенное отверстие) |
6012 |
60.6 |
12.6 |
2.2 |
4.0 |
17.3 |
26 |
2 (4) |
82.5x6.5x1.75 |
82.5 |
6.5 |
1.75 |
|
|
|
Прямой паз |
83x6x1.75 |
83 |
6.0 |
1.75 |
|
|
|
|
82.5x7x1.75 |
82.5 |
7.0 |
1.75 |
|
|
|

Выше представлены заготовки.
мм
| Тип | L |
B |
H |
d |
1212 |
12 |
12 |
1.5 |
4 |

мм
| Тип | L |
B |
H |
d |
f |
1414/1.2 |
14 |
14 |
1.2 |
8.3 |
0.6 |
1414/2 |
14 |
14 |
2 |
6.3 |
0.2 |
1415/1.5 |
13.4 |
13.4 |
1.5 |
6.5 |
0.2 |
1515/2.5 |
15 |
15 |
2.5 |
6.3 |
0.4 |

мм
| Тип | L |
B |
H |
d |
α (°) |
c |
n |
Замечания |
2012 |
20 |
12 |
1.5 |
4.0 |
35 |
— |
1 |
— |
3012 |
30 |
12 |
1.5 |
4.0 |
35 |
14 |
2 |
— |
4012 |
40 |
12 |
1.5 |
4.0 |
35 |
26 |
2 |
— |
5012 |
50 |
12 |
1.5 |
4.0 |
35 |
26 |
2 (4) |
Плоское отверстие |
6012 |
60 |
12 |
1.5 |
4.0 |
35 |
26 |
2 (4) |
— |
?
мм
| Тип | L |
B |
H |
h |
b |
α (°) |
83x6x1.75 |
82 |
5.5 |
1.2 |
0.45 |
1.6 |
35 |

мм
| Тип | L |
B |
H |
L1 |
L2 |
h |
b |
b1 |
α (°) |
82 |
82 |
5.5 |
1.1 |
70 |
48 |
0.5 |
1.5 |
1.8 |
40 |

Выше представлены готовые изделия.




sales@chinatungsten.com